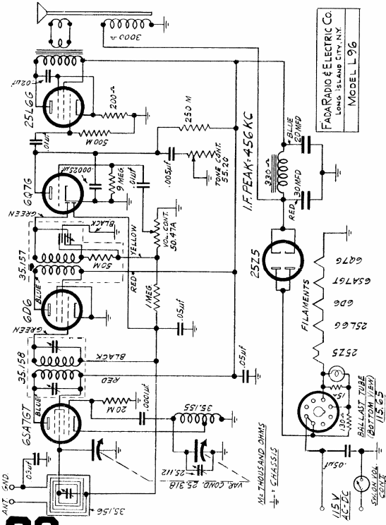
El circuito presentado es de un manual de la época. Se trata de una radio AC / DC con los filamentos conectados en serie, con 5 válvulas para la recepción del rango de ondas medias. La serie de válvulas usadas también fue muy común en los receptores de la época usados en nuestro país. Observe el uso de un altavoz de campo en el que en lugar del imán había una bobina para crear el campo magnético.




