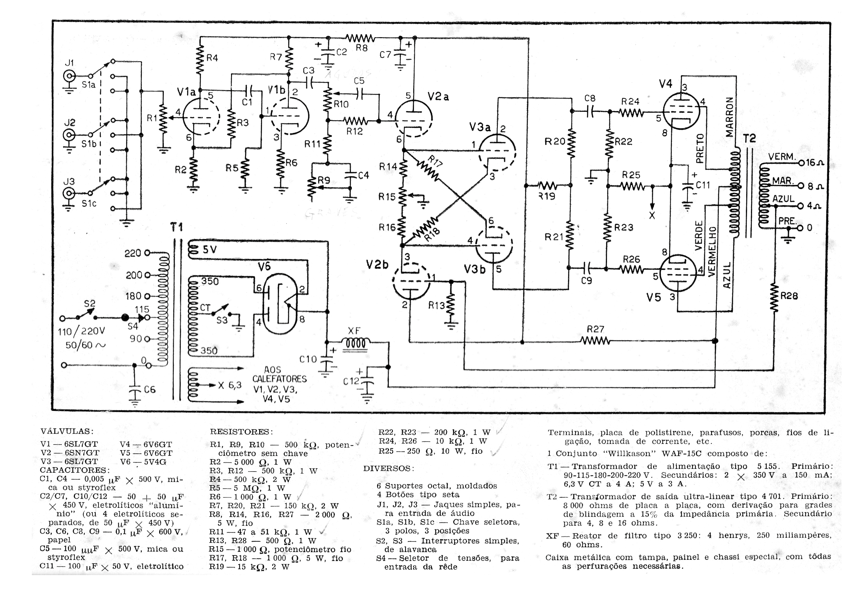
Este circuito de amplificador de alta fidelidad es de una publicación de 1957, siendo desarrollado por el propio fabricante de los transformadores, Willkason, que ya no existe. Así, en el montaje, los componentes críticos, además de las válvulas, son los transformadores y el choque de filtro de la fuente. Observe la excitación de la etapa en contrafase con válvulas inversoras de fase (V2 y V3).




