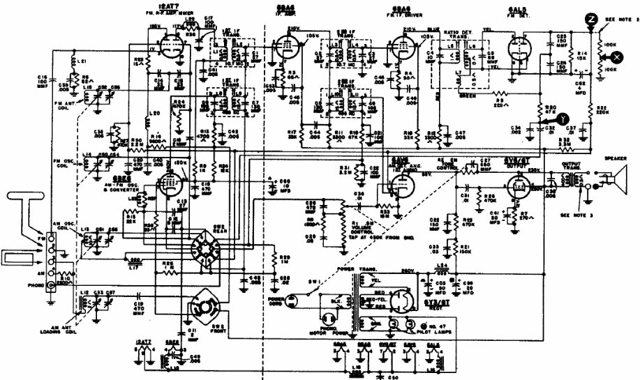
Este receptor para as duas faixas foi encontrado num manual da época. O circuito utilizava transformador na fonte e tinha FI de 10,7 MHz para a faixa de FM.
Cargar pequeñas pilas y baterías de Nicad (Niquel-Cadmio) de los tipos AAA, AA, C, D y baterías de 9 V es...
Un relé de altísima ganancia puede ser de gran utilidad en la bancada de proyecto. El circuito que...
El circuito de la figura 1 excita un LED con parpadeos regulares que se pueden utilizar para...