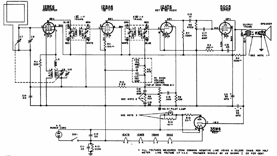
Este receptor de configuração comum usava antena de quadro e 5 válvulas com os filamentos ligados em série. O circuito se destinava a faixa de ondas médias.
Esta versión del juego de habilidad conocido como Nervo-prueba no da golpes en nadie, pero también...
Hay cientos de circuitos integrados dedicados que permiten la implementación de pequeños...
La finalidad de este proyecto didáctico es matriz de 170 puntos es mostrar cómo un multivibrador astable...