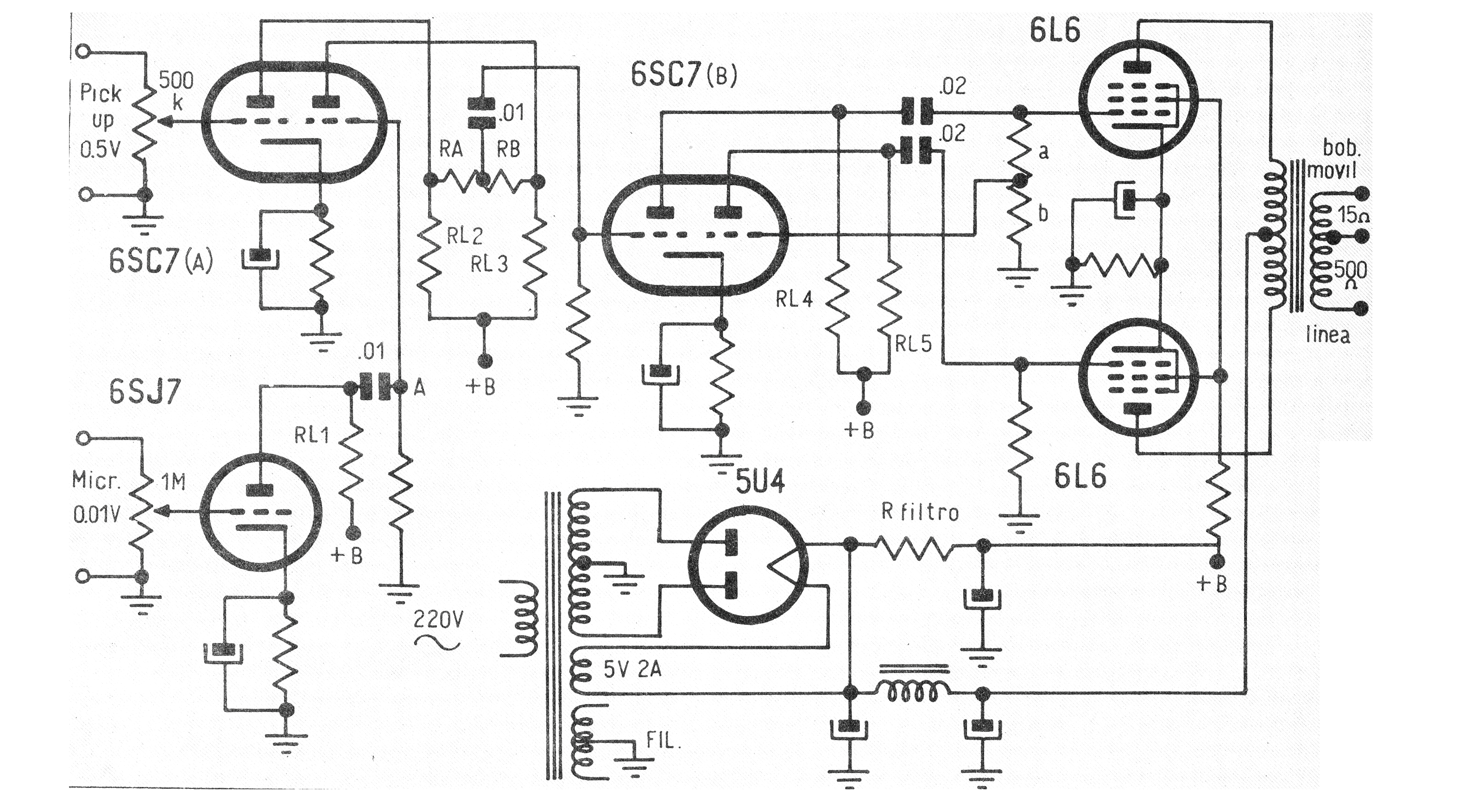
Este circuito fue obtenido en una antigua publicación argentina (sin fecha). Se trata de un amplificador que puede proporcionar una potencia de algunas decenas de vatios con excelente calidad de sonido. El transformador es de 180 a 250 V x 150 a 250 mA y los demás componentes están con los valores en el diagrama. El transformador de fuerza y de salida son los componentes críticos del proyecto.




