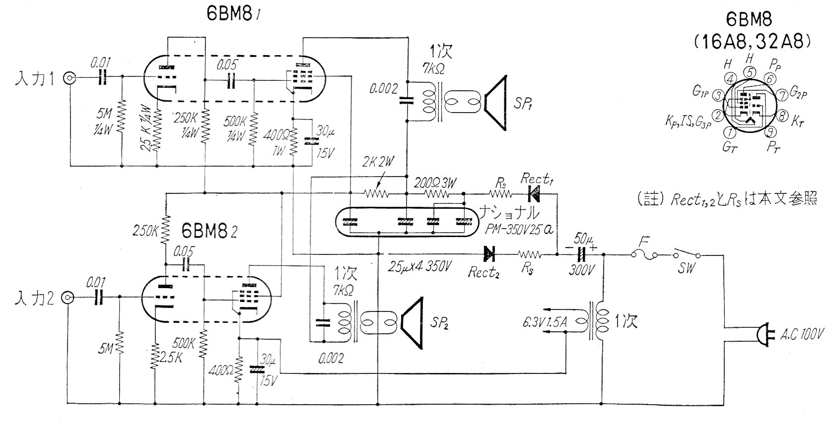
Este amplificador estéreo de pequeña potencia utiliza dos válvulas dobles. Fue encontrado en una documentación de los años 60 siendo indicado para tocadiscos portátiles de pequeña potencia. La alimentación es directa por la red de energía, sin el uso de transformador de alimentación. Diodos rectificadores se utilizaban en la fuente.




