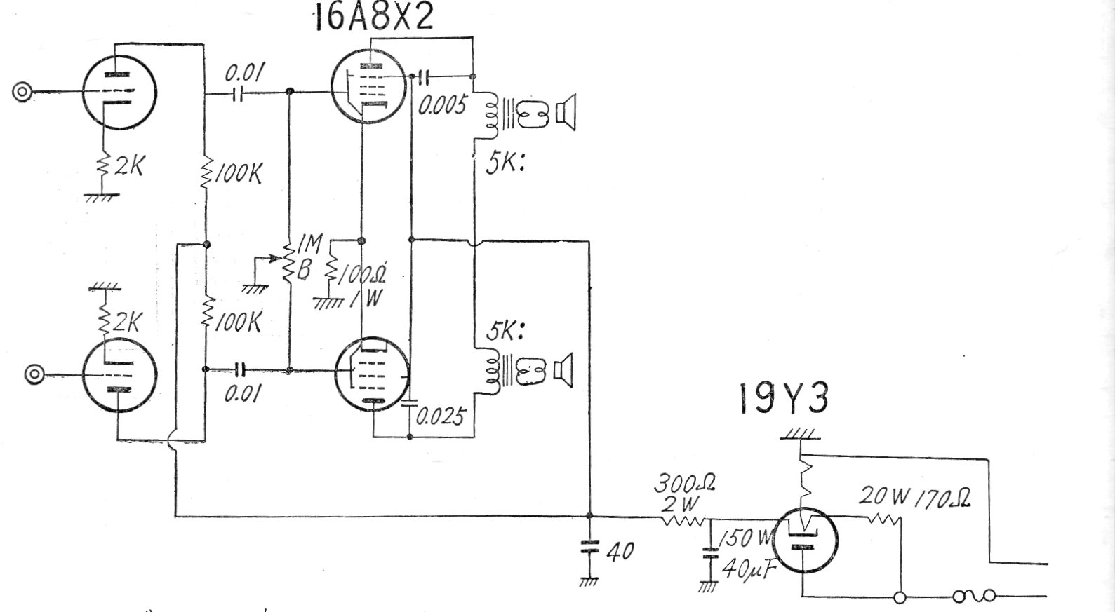
Este pequeño amplificador estéreo sin transformador en la fuente de alimentación fue encontrado en una documentación japonesa de los años 60. El circuito utiliza los filamentos en serie y tiene una potencia de pocos vatios. El circuito era usado en tocadiscos de los años 60. La red japonesa en la época era de 100 V.




