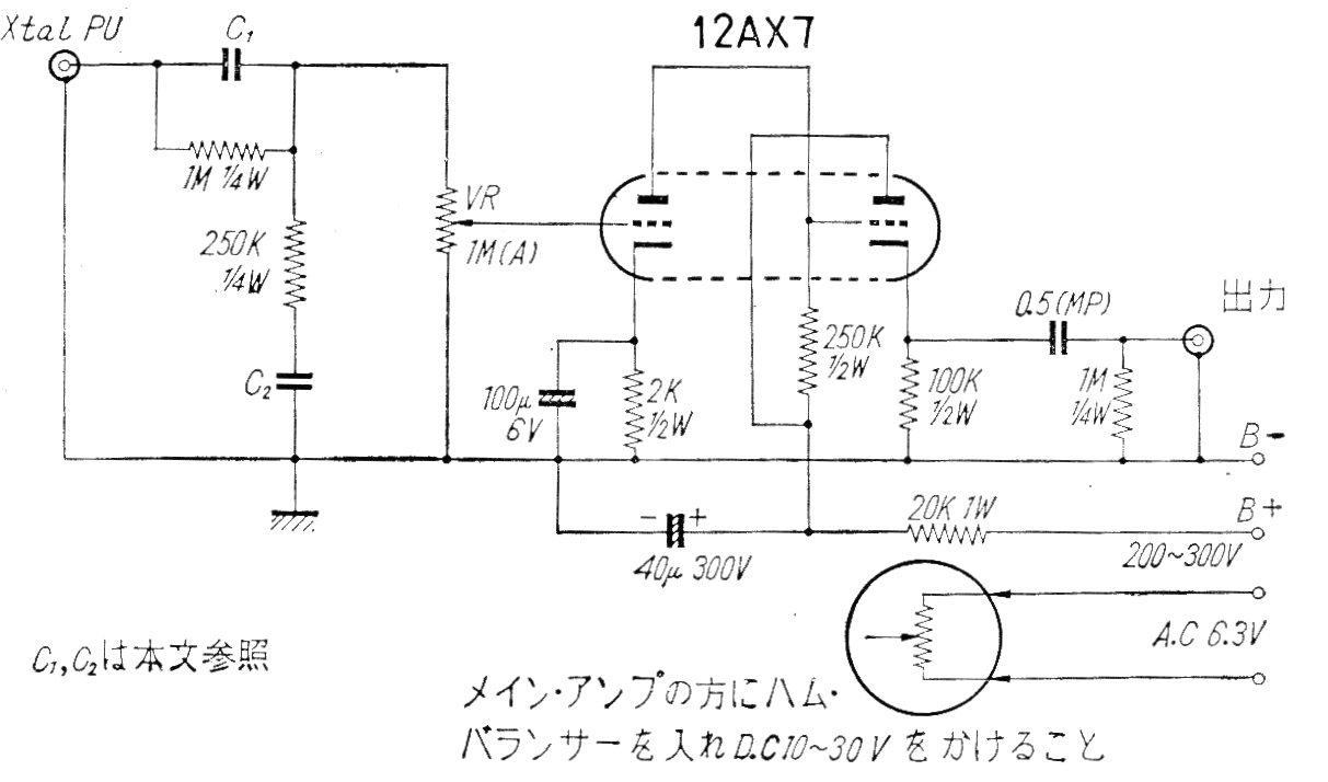
Esta etapa preamplificadora utilizando un doble triodo 12AX7 fue encontrada en una publicación japonesa de los años 60. El circuito no incluye de la fuente de alimentación de 200 a 300 V y tiene un potenciómetro de ajuste para la puesta a tierra del filamento de modo que se eviten roncos.




