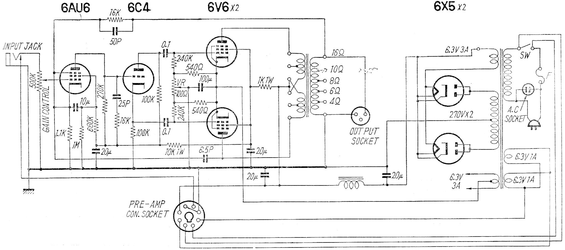
Con las válvulas 6V6 en la salida en push-pull, este amplificador obtenido en una documentación japonesa de los años 60 tiene una ganancia de 20 dB y proporciona una potencia de 10 W. La fuente de alimentación se incluye y los componentes críticos para un montaje, además de las válvulas son los transformadores.




