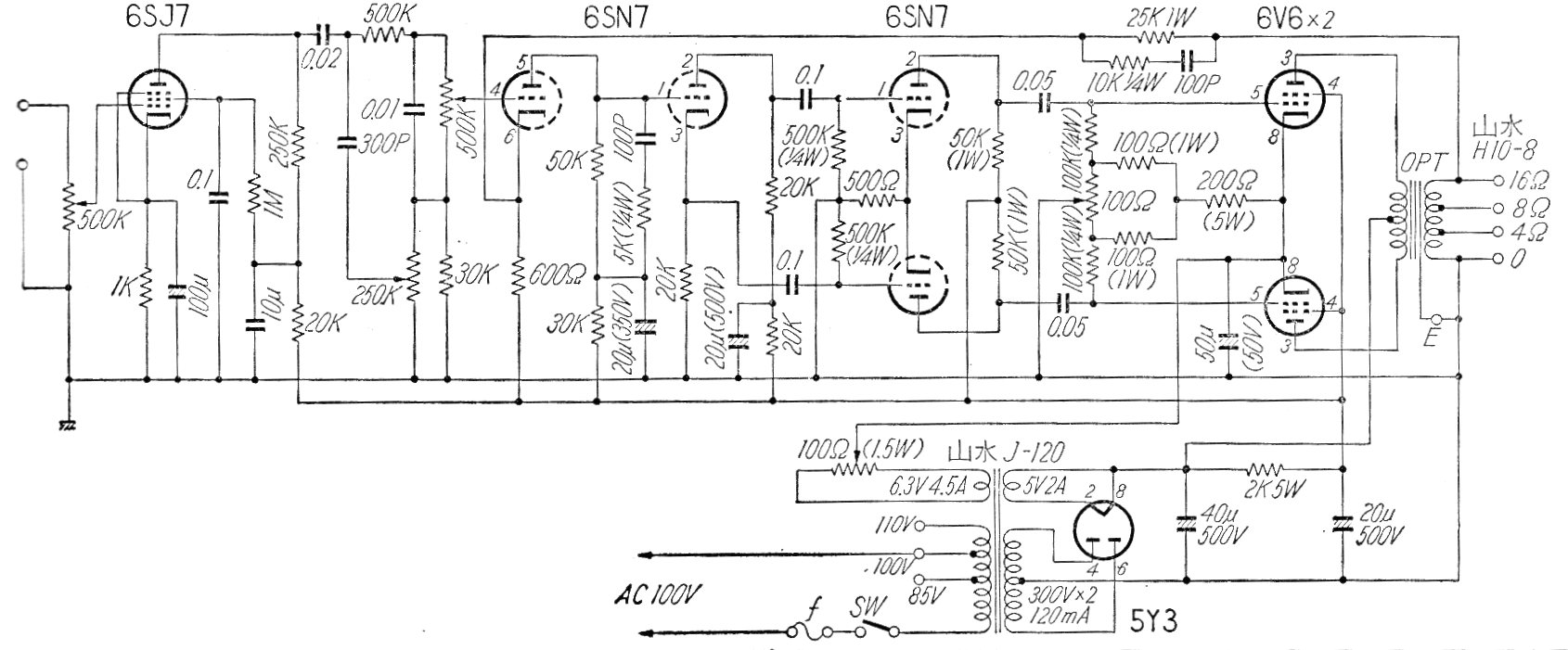
Este amplificador con respuesta plana hasta 20 kHz y buena potencia de salida fue encontrado en una documentación japonesa de los años 60. El circuito utiliza válvulas 6V6PP en push-pull clase B en la salida y transformadores en la etapa de excitación y salida. Las impedancias de salida son dadas por el secundario del transformador de salida.




