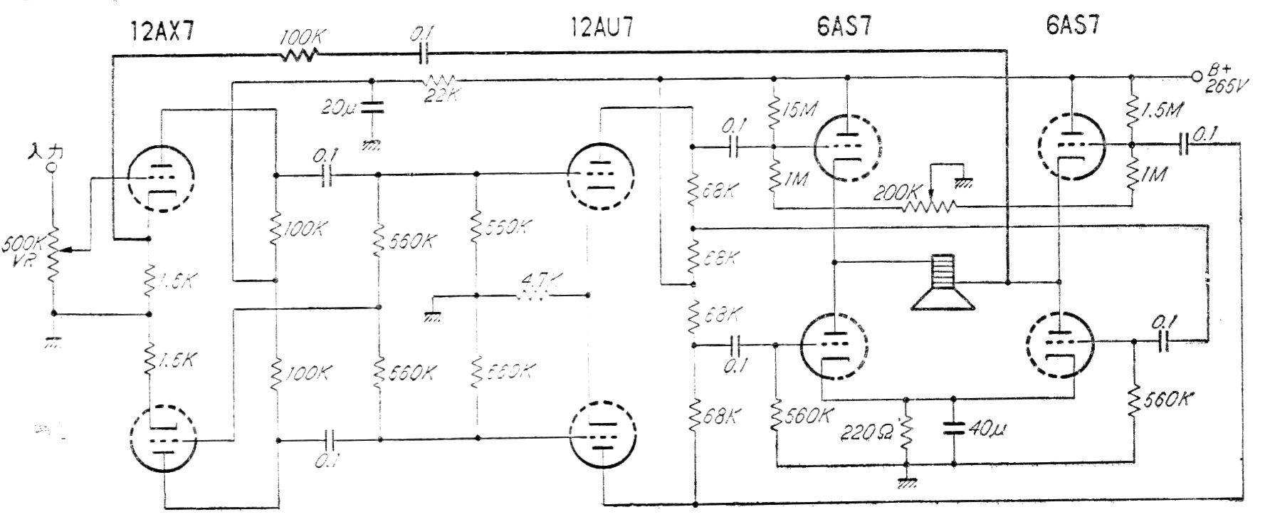
Este interesante circuito BTL con salida de baja impedancia (OTL) fue encontrado en una publicación japonesa antigua y no incluye la fuente de alimentación. La salida por el cátodo permite el uso directo de altavoz de baja impedancia, sin la necesidad de transformador (SEPP).




