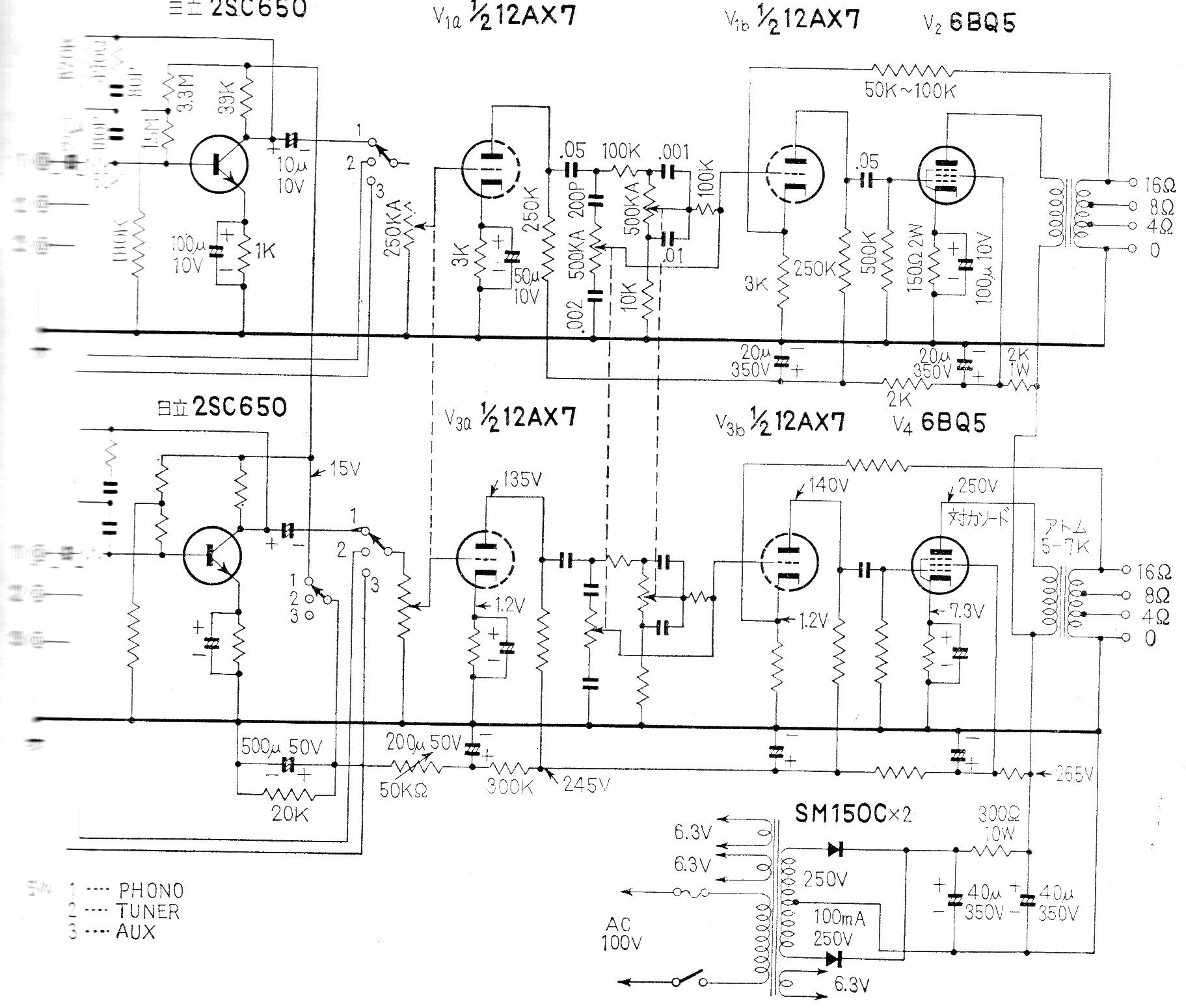
Encontramos este circuito híbrido en una publicación japonesa de 1968. Los componentes son de la época y los componentes críticos, además de las válvulas son los transformadores. El circuito incluye un control de tono tipo Baxandall.
Los inyectores de señales son aparatos de gran utilidad en la localización de defectos en radios,...
Este circuito sirve para indicar si la tensión disponible en una red de energía es de 110 V o 220 V....
Dos pedazos de hilos descascados o dos planchas de metal se utilizan como sensor en el circuito de la...