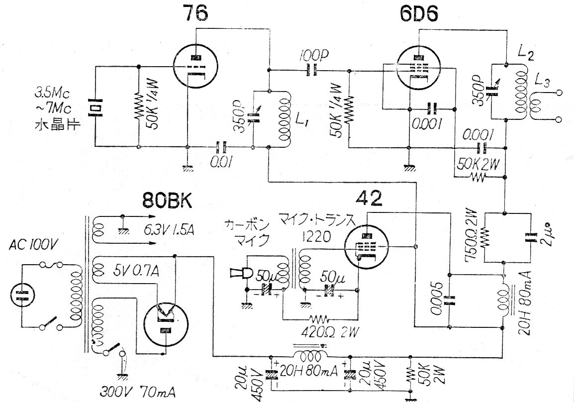
Este transmisor para el rango de 3,5 MHz y 7 MHz fue encontrado en una documentación japonesa de los años 60. La fuente de alimentación fue incluida, pero no se dieron detalles de las bobinas.
Los inyectores de señales son aparatos de gran utilidad en la localización de defectos en radios,...
Este circuito sirve para indicar si la tensión disponible en una red de energía es de 110 V o 220 V....
Dos pedazos de hilos descascados o dos planchas de metal se utilizan como sensor en el circuito de la...