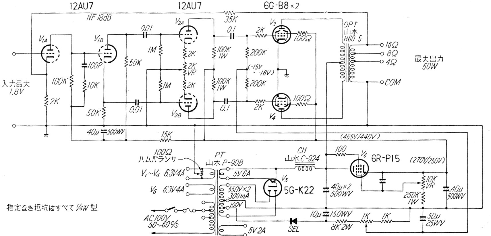
Este circuito utiliza válvulas potentes 6G-B8 en el paso de salida, proporcionando así 50 W de buena calidad de audio (HIFI). El circuito es de una documentación japonesa y la fuente de alimentación se incluye. El circuito no tiene control de volumen y tono que deben quedar en el preamplificador.




