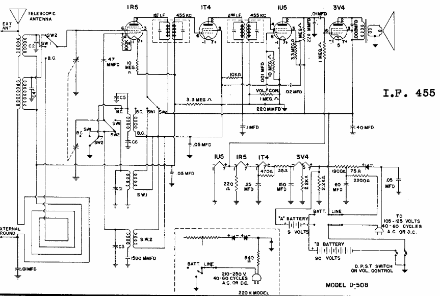
Este receptor sintonizaba el rango de ondas medias y otras dos bandas de onda corta hasta 16 MHz. El circuito tenía antena de cuadro y opción para antena externa. Otra característica era la posibilidad de también funcionar con una batería de 9 V y otra de 90 V.




