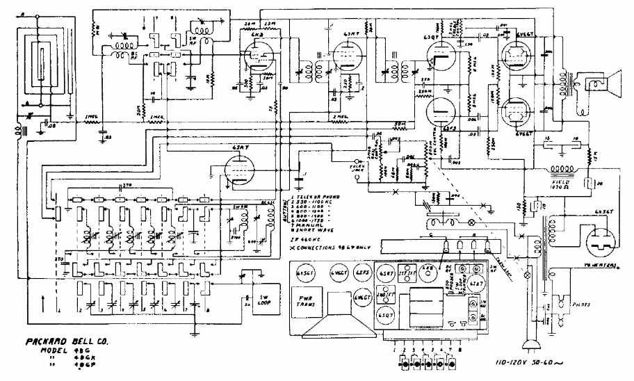
El punto curioso de este receptor es la sintonía por teclas, llevando a las estaciones preajustada. El receptor utiliza transformador y tiene salida de alta potencia en push-pull.
Este es un circuito experimental que permite estudiar el funcionamiento de un oscilador de bloqueo...
Esta alarma crea una “barrera luminosa” que ai ser interrumpida provoca el disparo de una sirena,...
Presione un botón (S1) y una aguja sin conexión eléctrica alguna se mueve misteriosamente. Este montaje, basado...