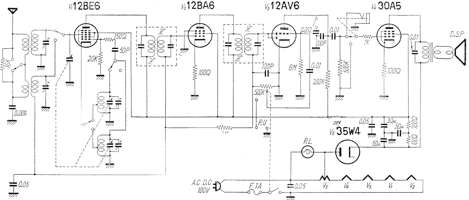
Esta radio sin transformador de fuerza fue encontrada en una revista japonesa de los años 60. El circuito tiene los filamentos en serie y recibe señales de la banda de AM. La FI es de 455 kHz. Observe que la red en Japón en la época era de 100 V.
Este es un circuito experimental que permite estudiar el funcionamiento de un oscilador de bloqueo...
Esta alarma crea una “barrera luminosa” que ai ser interrumpida provoca el disparo de una sirena,...
Presione un botón (S1) y una aguja sin conexión eléctrica alguna se mueve misteriosamente. Este montaje, basado...