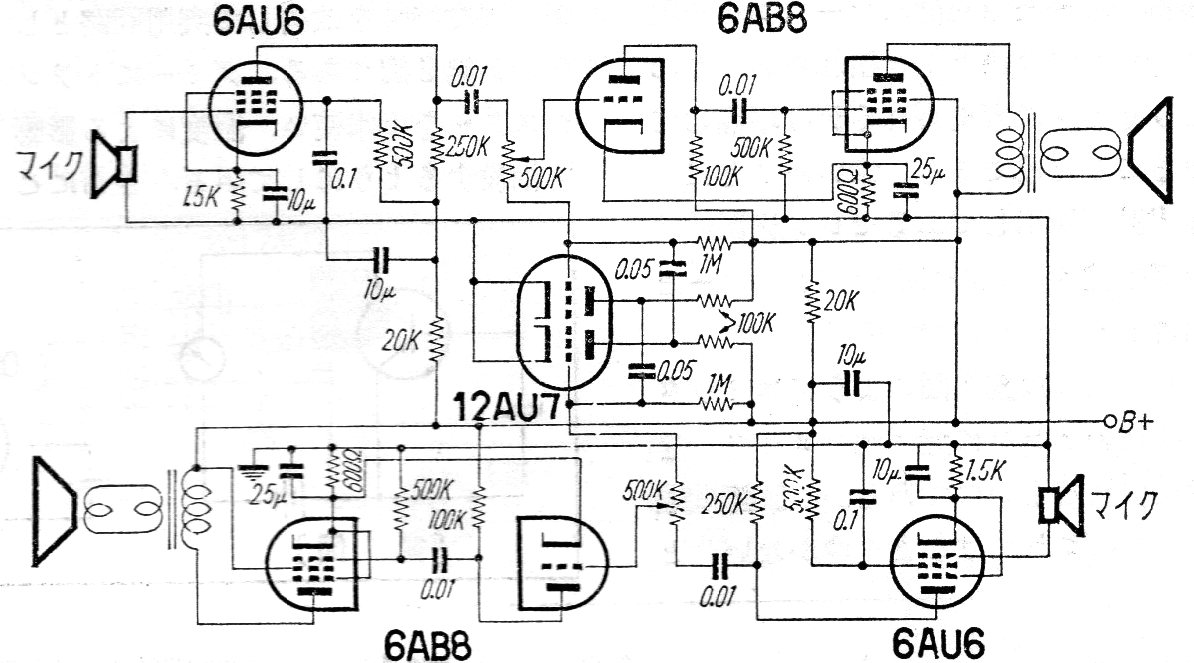
Este intercomunicador valvular se obtuvo en una publicación de los años 60. El circuito no utiliza la llave conmutadora y la fuente de alimentación no está incluida. Los micrófonos son tipos de baja impedancia.
Este relé de luz o sobre, según las posiciones del LDR y de P1 es extremadamente sensible, pues utiliza...
Este sistema permite bloquear un relé con un simple toque en un interruptor de presión. Podemos...
Este proyecto permite emular un foto-tiristor, es decir, una foto SCR usando un fototransistor común...