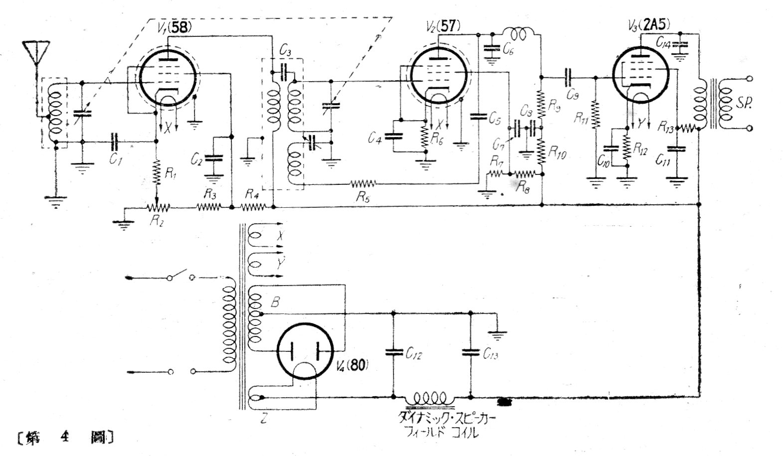
Encontramos este receptor de 4 válvulas en una publicación japonesa de los años 40. El circuito utiliza fuente con válvula rectificadora de modo que los elementos activos son sólo 3 válvulas. Los detalles de las bobinas no se dan y la potencia de audio es del orden de 1 o 2 watts. Los valores de los componentes no se suministran, pero pueden ser deducidos por el análisis de circuitos equivalentes.




