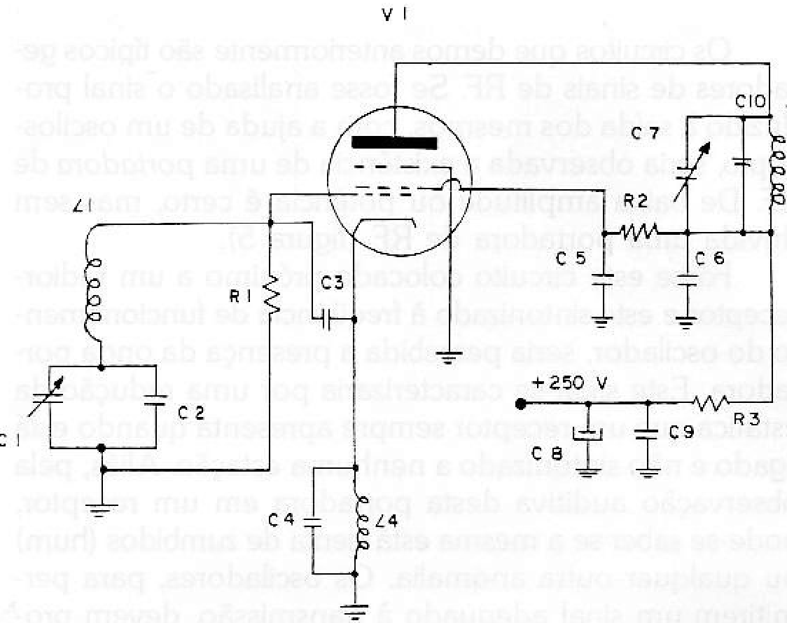
En la figura tenemos un VFO utilizando una válvula pentodo. Para evitar el deslizamiento de frecuencia producido por el calentamiento que la válvula introduce se utiliza un capacitor con coeficiente negativo de temperatura, de 10 pF.
Este circuito fue encontrado en una publicación antigua. Los amplificadores operativos usados no...
Si usted tiene un radito de dos pilas pequeñas es una manera de alimentarlo con energía solar de...
Es un interesante circuito que permite comprobar si cualquier circuito oscilante está funcionando. El...