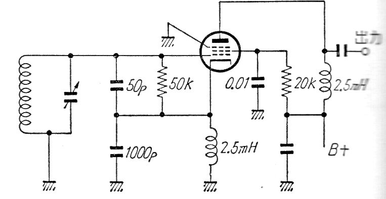
Encontramos este circuito en una documentación japonesa antigua. La bobina depende del rango de frecuencias deseado y la tensión de alimentación depende de la válvula.
La fuente de alimentación que se muestra a continuación sirve para proporcionar tensiones...
Cuando lanzamos por primera vez en Brasil un Micro-transmisor de FM, dando de brindis la placa de...
El circuito mostrado en la figura 1, acciona una barra de 4 LED con una señal de audio aplicada a su...