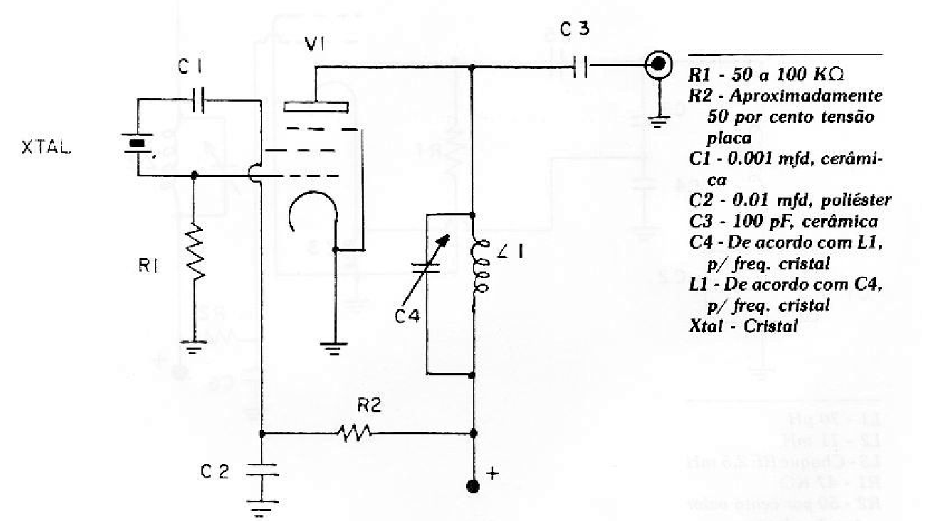
En la figura tenemos el circuito denominado Pierce-Colpitts, cuya característica principal es proporcionar una gran cantidad de armónicos, permitiendo que un cristal de frecuencia baja pueda generar, a la salida, frecuencias para operar en el 2 °, 3 °, 4 ° etc . armónicos: este circuito opera con cualquier tipo de cristal. Se debe notar, sin embargo, que si el cristal posee frecuencias espurias, las mismas también serán producidas a la salida.




