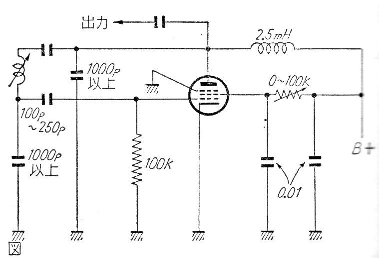
Aquí tenemos otra configuración de oscilador de frecuencia variable (VFO) utilizando una válvula pentodo. El circuito es de un manual antiguo y la bobina depende del rango de frecuencias deseado. El circuito es de una antigua publicación japonesa.
Después de montar algún aparato que debe ser alimentado por la red de energía, los lectores menos...
Una pequeña fuente de alimentación que presenta en la Figura 1 es ideal para los experimentos de...
Este es un simple montaje que puede ser utilizado en diversas aplicaciones tales como decoración,...