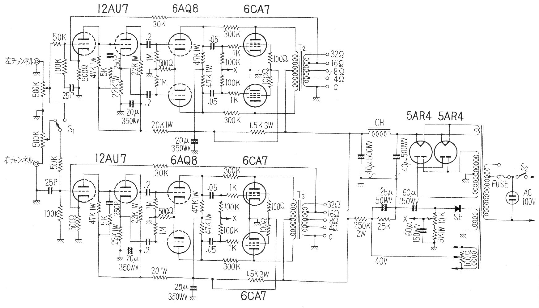
Este amplificador estéreo de 35 W por canal utiliza las válvulas 6CA7 en la salida conectadas en push-pull clase B. El circuito se encuentra en una documentación de 1961 e incluye la fuente de alimentación.
Después de montar algún aparato que debe ser alimentado por la red de energía, los lectores menos...
Una pequeña fuente de alimentación que presenta en la Figura 1 es ideal para los experimentos de...
Este es un simple montaje que puede ser utilizado en diversas aplicaciones tales como decoración,...