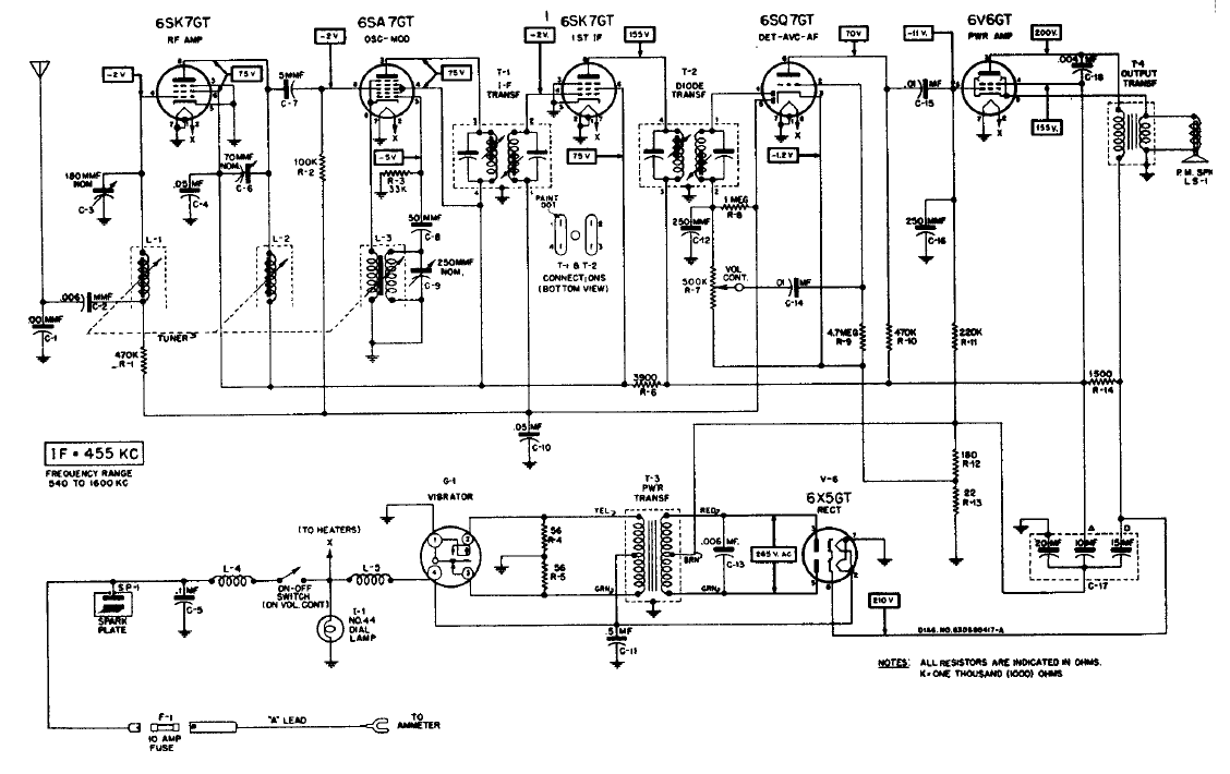
Esta radio valvulado para la banda de AM usaba vibrador para obtener la alta tensión. El circuito es para el rango de ondas medias con FI de 455 kHz.
El circuito acciona un piezoeléctrico que emitirá bips intervalos cuya frecuencia e intervalo...
Con este circuito podemos probar capacitores cerámicos, poliéster, styroflex y otros tipos no...
Al montar este circuito en una matriz de 170 puntos podemos aprender cómo una configuración de oscilador con...