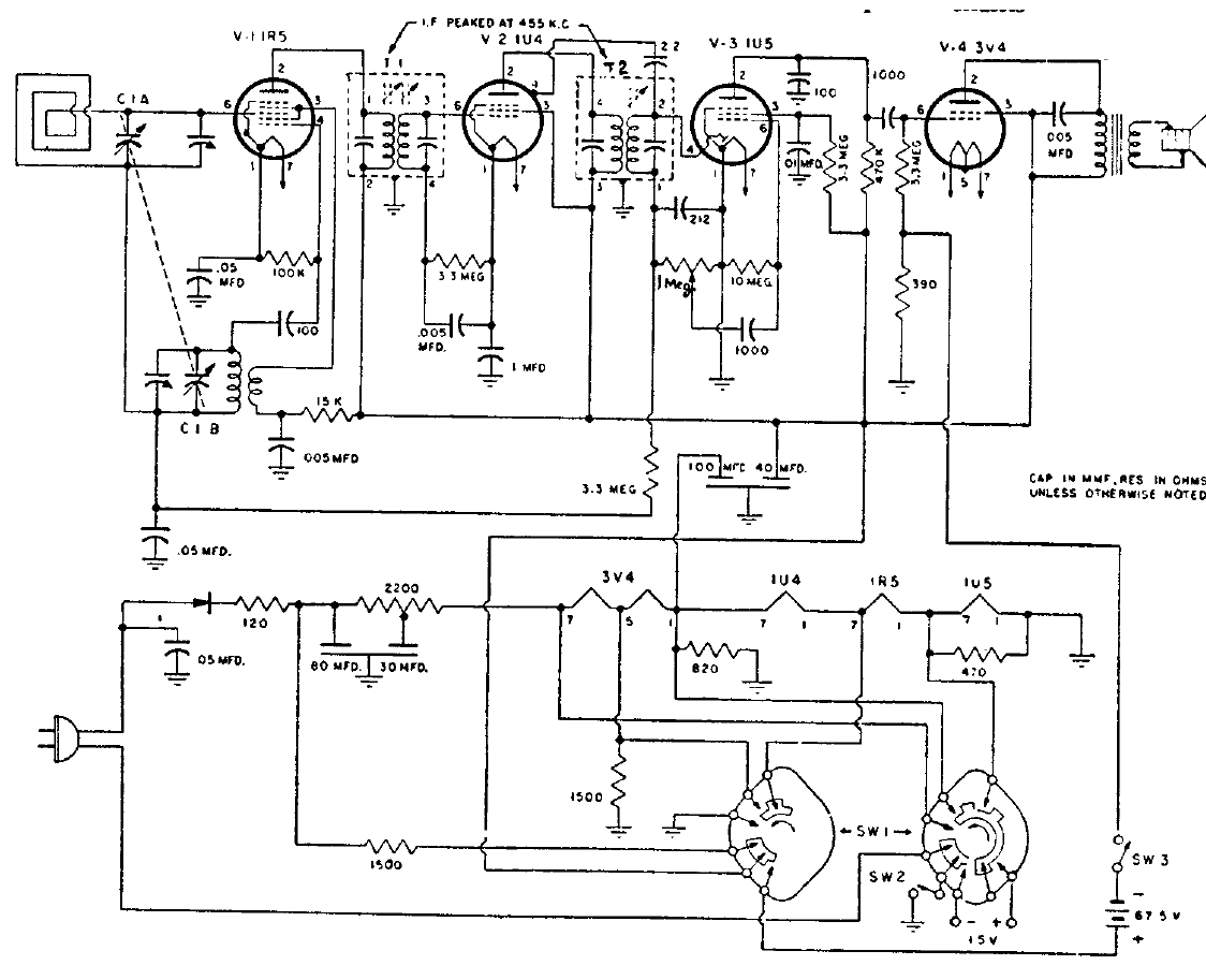
Este receptor de 1950 con 5 válvulas tanto podía ser alimentado por la red de energía como dos baterías, una de1,5 V y otra de 67,5 V, lo que era común en una época en que no había todavía el transistor.
El circuito acciona un piezoeléctrico que emitirá bips intervalos cuya frecuencia e intervalo...
Con este circuito podemos probar capacitores cerámicos, poliéster, styroflex y otros tipos no...
Al montar este circuito en una matriz de 170 puntos podemos aprender cómo una configuración de oscilador con...