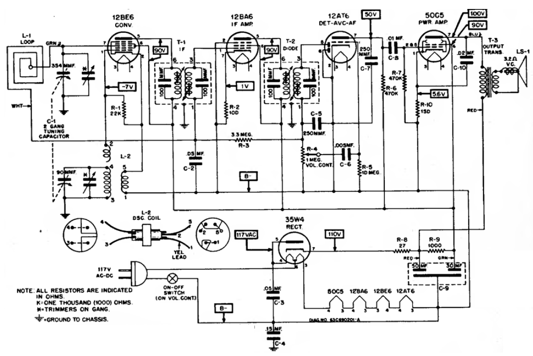
Encontramos esta radio en un esquemario de la época. Se trata de un receptor de 5 válvulas con filamentos en serie y antena de cuadro para la banda de ondas medias.
El circuito acciona un piezoeléctrico que emitirá bips intervalos cuya frecuencia e intervalo...
Con este circuito podemos probar capacitores cerámicos, poliéster, styroflex y otros tipos no...
Al montar este circuito en una matriz de 170 puntos podemos aprender cómo una configuración de oscilador con...