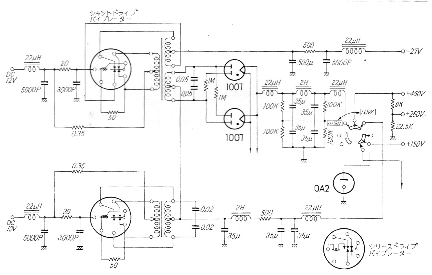
Este circuito de una documentación antigua muestra cómo se obtiene alta tensión para valvulados alimentados por la batería de un coche. En el caso, se utilizaba un vibrador mecánico, que aún se puede encontrar en casas especializadas en la recuperación de coches antiguos. Los demás componentes pueden ser críticos, como las válvulas, principalmente la OA2 reguladora de tensión.




