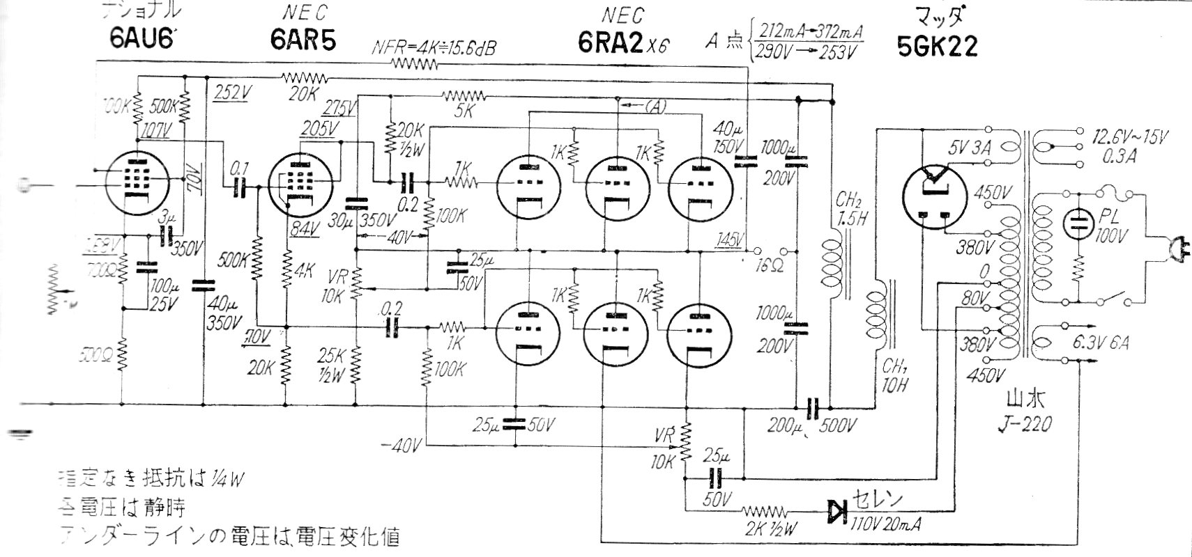
Este amplificador tiene una salida de 16 ohms que se ha encontrado en una documentación de los años 60. El diferencial es la no necesidad de transformador de salida dada la configuración de la etapa de potencia. Se incluye la fuente de alimentación.
El circuito acciona un piezoeléctrico que emitirá bips intervalos cuya frecuencia e intervalo...
Con este circuito podemos probar capacitores cerámicos, poliéster, styroflex y otros tipos no...
Al montar este circuito en una matriz de 170 puntos podemos aprender cómo una configuración de oscilador con...