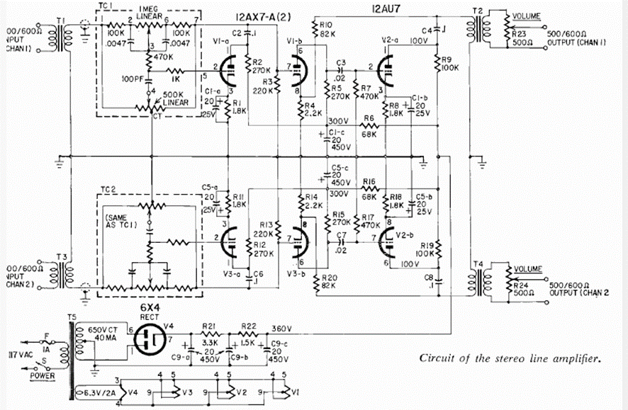
Originalmente indicado para aplicaciones en distribución de sonido a través de líneas de 600 ohms, este circuito fue lanzado en Radio Electronics en febrero de 1964. El circuito utiliza válvulas conocidas y tiene un rendimiento excelente para distribuir señales estéreo. La alimentación se realiza mediante capacitor de triple filtrado.




