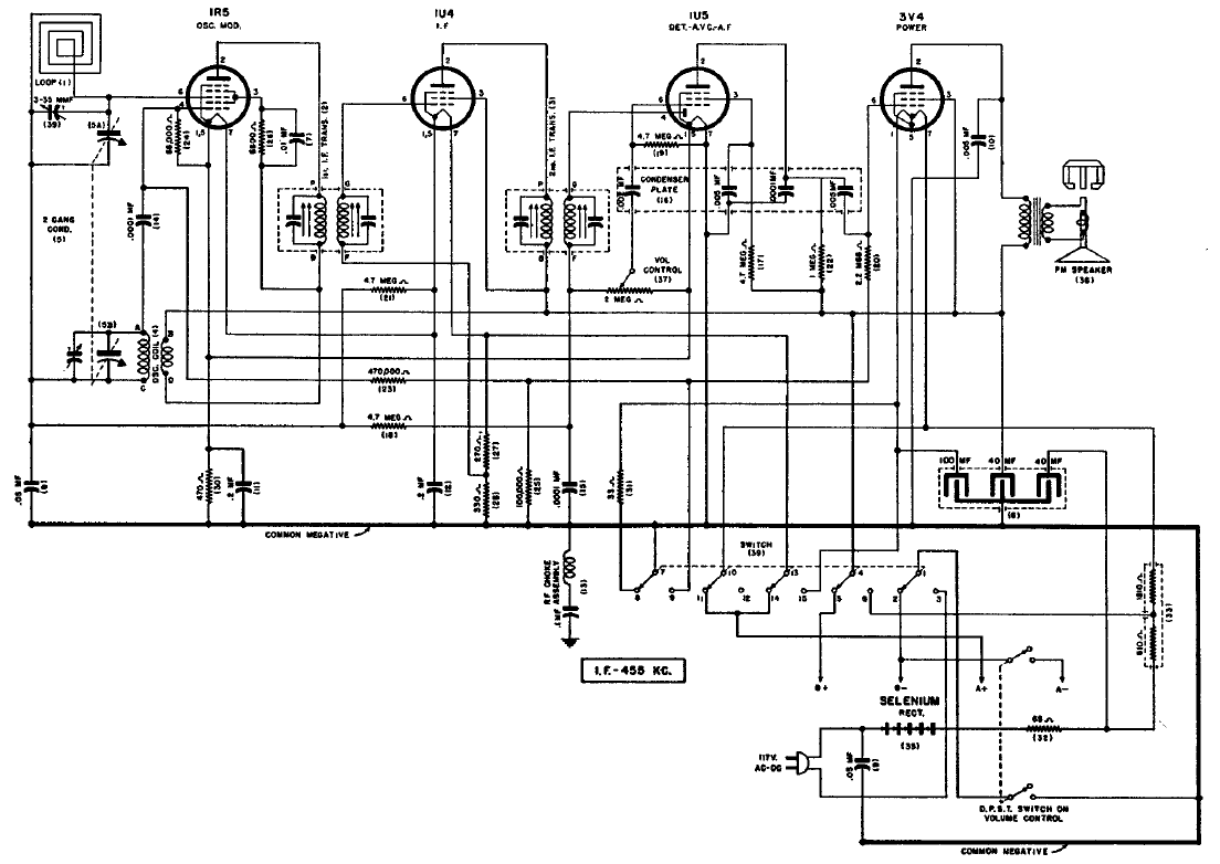
Este receptor de 4 válvulas recibía las estaciones de onda medias y tenía por diferencial el uso de un diodo de selenio en la fuente, en lugar de la válvula rectificadora.
El circuito acciona un piezoeléctrico que emitirá bips intervalos cuya frecuencia e intervalo...
Con este circuito podemos probar capacitores cerámicos, poliéster, styroflex y otros tipos no...
Al montar este circuito en una matriz de 170 puntos podemos aprender cómo una configuración de oscilador con...