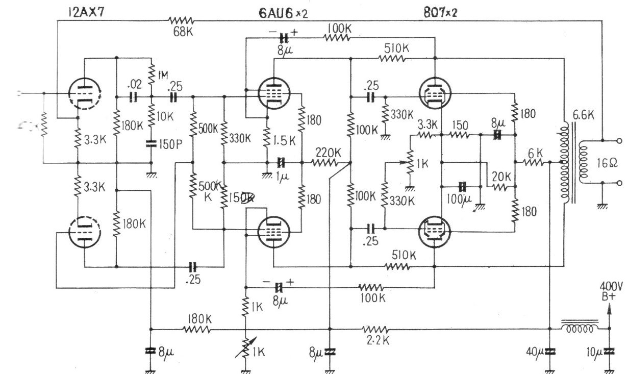
Dos válvulas 807 están conectadas en contrafase a la salida de este amplificador para proporcionar 10 W de excelente calidad de audio. El circuito es de una publicación japonesa de 1961. El circuito no incluye la fuente, pero se da la tensión de alimentación de 400 V. La resistencia en la entrada es de 470 k.




