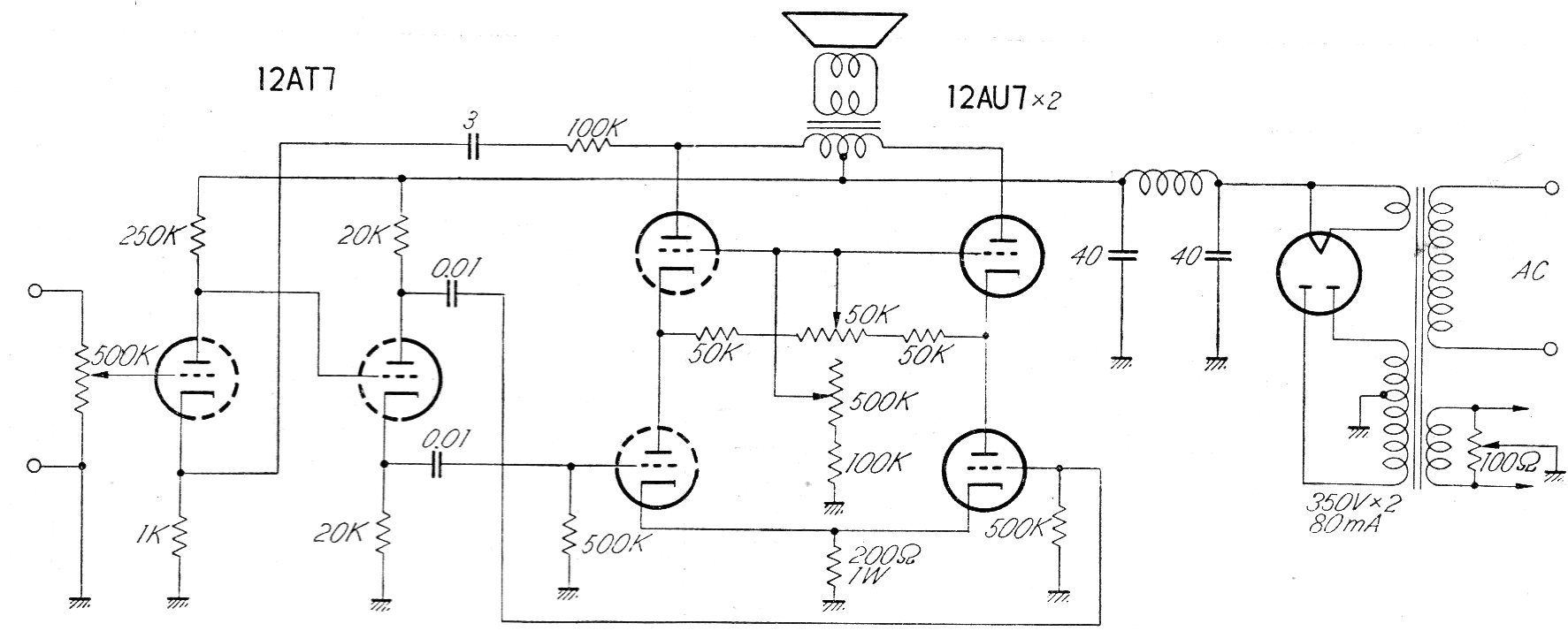
Este circuito utiliza válvulas de baja potencia en la salida en una aplicación poco común encontrada en una publicación japonesa de los años 60. El circuito incluye fuente de alimentación y la potencia es de fracción de vatios con excelente calidad de sonido.




