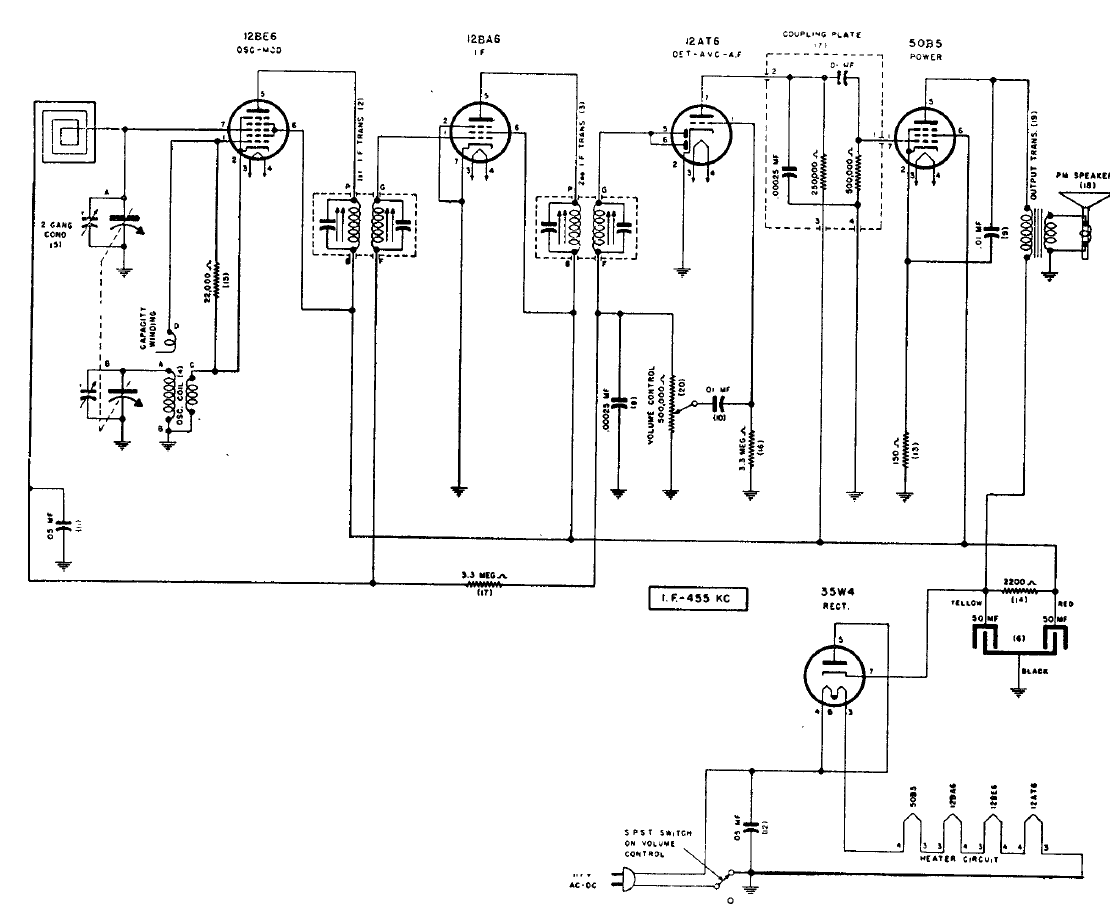
Este circuito de marca poco conocido fue obtenido en un esquemario de la época. El uso de la configuración tradicional en la época con antena de cuadro y filamentos en serie, encontrada en muchos radios brasileños de la época.
Sólo dos altavoces forman este teléfono improvisado en su versión más simple. Con el uso de dos...
Los sonidos y los ultrasonidos pueden ser generados con el circuito mostrado en la figura 1. Lo...
El circuito mostrado en la figura 1 puede ser usado en sistemas de automatización que requieren el...