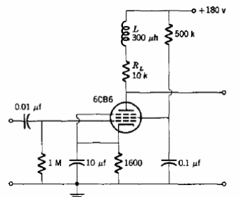
Este paso amplificador de alto rendimiento utiliza una válvula pentodo. El circuito es de una documentación de los años 50.

Amplificador de alta ganancia
Este paso amplificador de alto rendimiento utiliza una válvula pentodo. El circuito es de una documentación de los años 50.
