Este amplificador tipo cascode utiliza un doble triodo y es alimentado por una tensión de 300 V. El circuito se aplica a otros triodos. La corriente drenada es de algunas decenas de miliampères.

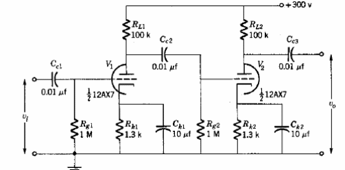
Amplificador de dos etapas
Este amplificador tipo cascode utiliza un doble triodo y es alimentado por una tensión de 300 V. El circuito se aplica a otros triodos. La corriente drenada es de algunas decenas de miliampères.
