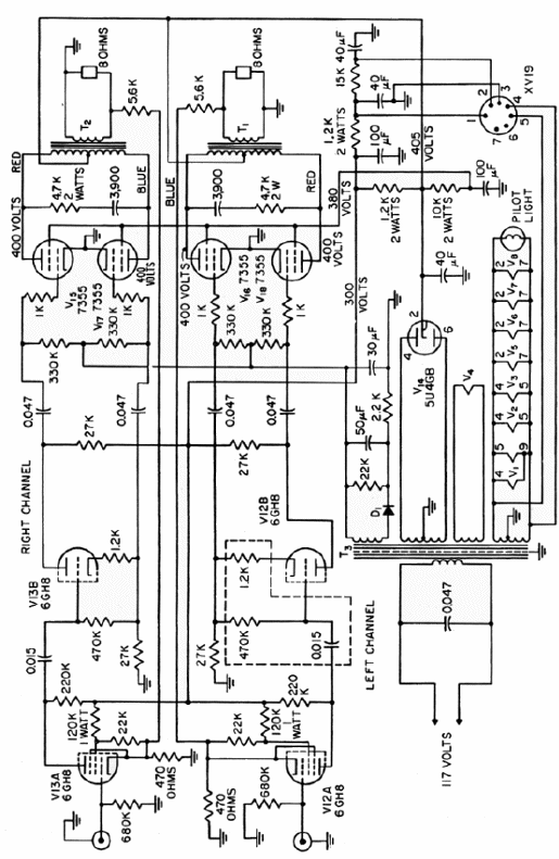
Encontramos este potente amplificador estéreo en una documentación de los años 50. Los transformadores son los componentes críticos, además de las válvulas, ya que se trata de tipos ultra-lineales. El circuito tiene una respuesta plana de 50 a 20 000 Hz.

Amplificador de 100 W
.



