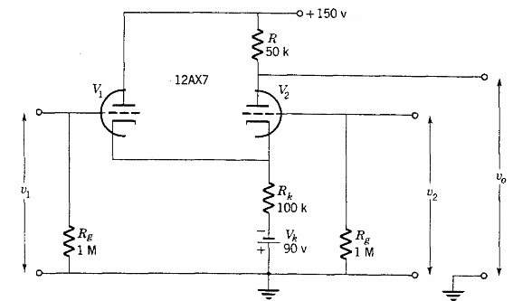
Este circuito hace uso de un doble triodo. La tensión Vo de salida es la diferencia entre las tensiones V1 y V2. El circuito es de una documentación de los años 40.

Amplificador Diferencia con Salida Simple
Este circuito hace uso de un doble triodo. La tensión Vo de salida es la diferencia entre las tensiones V1 y V2. El circuito es de una documentación de los años 40.
