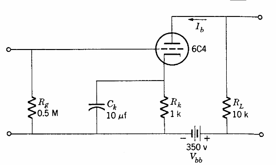
En la figura tenemos un paso típico de amplificación usando la válvula 6C4. El circuito es de una documentación antigua, siendo válido para triodos con las mismas características.

Paso Amplificador com la 6C4
En la figura tenemos un paso típico de amplificación usando la válvula 6C4. El circuito es de una documentación antigua, siendo válido para triodos con las mismas características.
