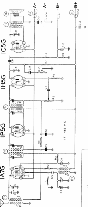
El receptor comercial Andrea de 1940 presentado en la figura tiene una configuración tradicional. Sólo notamos el modo diferente de representar las válvulas en el diagrama.

Radio AM Andrea de 1940

Radio AM Andrea de 1940
El receptor comercial Andrea de 1940 presentado en la figura tiene una configuración tradicional. Sólo notamos el modo diferente de representar las válvulas en el diagrama.

