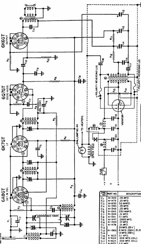
Este antiguo receptor de ondas medias de 5 válvulas era del tipo alimentado por batería para ser usado en automóviles de la época. Observe la presencia del vibrador mecánico para generar la alta tensión necesaria para el circuito.

Receptor Allied de 1940



