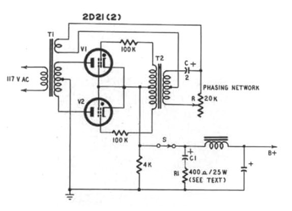
Esta fuente con válvulas triodo a gas para corrientes de hasta 200 mA fue encontrada en una documentación sobre osciloscopios de los años 50. La tensión de salida depende de los transformadores.

Rectificador Con Válvula Triodo
Esta fuente con válvulas triodo a gas para corrientes de hasta 200 mA fue encontrada en una documentación sobre osciloscopios de los años 50. La tensión de salida depende de los transformadores.
