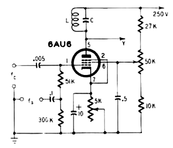
Encontramos este circuito, indicado para aplicaciones en osciloscopio de la época, en una documentación de los años 50. La corriente es muy baja y la modulación de la señal se hace en amplitud. En las entradas tenemos la portadora y la modulación y en la salida Y la señal modulada.

Modulador con Pentodo



