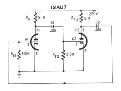
Este multivibrador asequible con una válvula doble triodo opera en una banda de frecuencias de audio, determinada por los condensadores. El circuito es de una antigua documentación sobre osciloscopios y la alimentación puede ser hecha con fuente de unos 50 mA.

Multivibrador 12AU7



