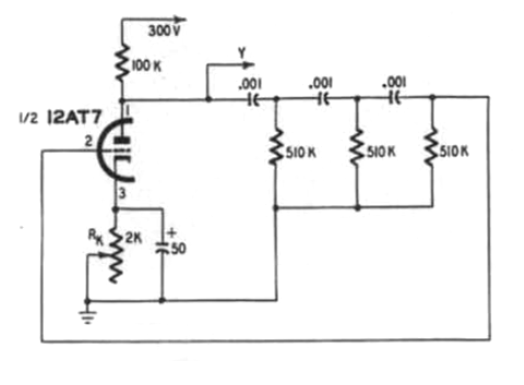
Este oscilador senoidal de baja frecuencia fue encontrado en un libro antiguo sobre osciloscopio. Podemos cambiar la frecuencia modificando los valores de los componentes de la red de retroalimentación. El circuito sólo funciona en la pista de audio. La fuente de 300 V es de baja corriente, algunas decenas de miliampères sólo.

Oscilador Por Desplazamiento de Fase



