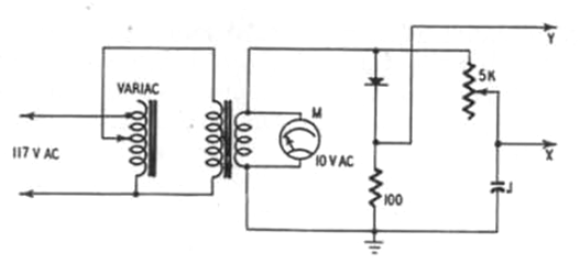
El circuito presentado es indicado para levantar las curvas de diodos comunes. Encontramos esta configuración en una antigua publicación sobre osciloscopios. El transformador tiene devanado de 10 V (9 a 12 V) con voltímetro adecuado o multímetro.

Circuito para levantar la curva de Diodos



