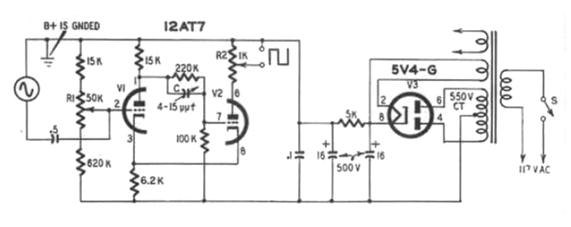
Este circuito de disparador valvular se encontró en una antigua publicación sobre osciloscopios. El circuito ya incluye fuente y opera con señales de frecuencias relativamente bajas. Los componentes antiguos con valores no estandarizados pueden ser aproximados a los correspondientes actuales. La corriente del transformador es de algunas decenas de miliamperios solamente.

Disparador de Schmitt



