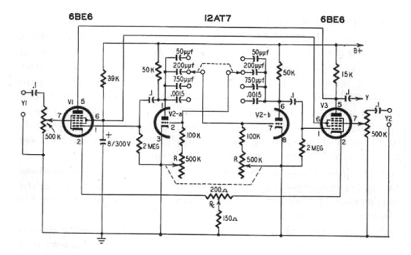
El circuito presentado fue encontrado una antigua documentación sobre osciloscopios. Se trata de un multivibrador que se utiliza como base de tiempo en antiguos osciloscopios y que posee un sistema conmutador para las frecuencias generadas. Los circuitos generan señales de algunos hertzios hasta algunos megahercios con diversos ajustes como frecuencia, amplitud, y sincronismo.

Multivibrador Para Osciloscopio



