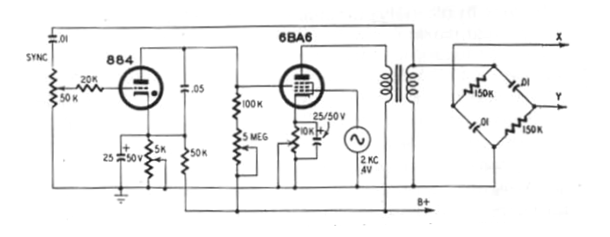
Este circuito, obtenido en una antigua publicación sobre osciloscopios de los años 40, genera una señal espiral, usando en algunas aplicaciones en la época. La alimentación debe realizarse con tensiones de 150 a 250 V. Los potenciómetros ajustan la frecuencia y el tipo de señal que se obtiene con el circuito. En la segunda figura tenemos la señal obtenida.

Base de Tiempo Espiral

Base de Tiempo Espiral



