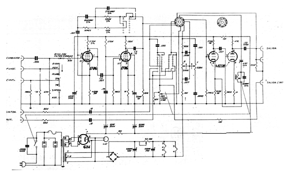
Este es el circuito de un preamplificador de alta fidelidad de la década de 1970. Los componentes críticos son las válvulas y el transformador. El circuito vale como referencia para la recuperación de un equipo antiguo.

Preamplificador Fairchild 245
Este es el circuito de un preamplificador de alta fidelidad de la década de 1970. Los componentes críticos son las válvulas y el transformador. El circuito vale como referencia para la recuperación de un equipo antiguo.
